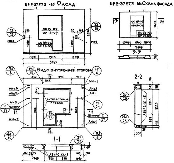
НР2-37.27.3-1бл

Чертеж изделия:
Чертеж НР2-37.27.3-1бл
Характеристики изделия:
ПараметрЗначение
Длина3695 мм
Ширина300 мм
Высота2650 мм
Масса2910 кг
Нормативный документСерия 1.132-1

НР2-37.27.3-1бл   Наружная стеновая панель рядовая по Серии 1.132-1.