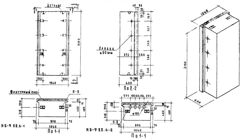
НБ-9.22.6-2

Чертеж изделия:
Чертеж НБ-9.22.6-2
Характеристики изделия:
ПараметрЗначение
Длина1040 мм
Ширина600 мм
Высота2180 мм
Масса2215 кг
Нормативный документСерия 1.133-1

Стеновые легкобетонные блоки толщиной 60 см по Серии 1.133-1.

НБ-9.22.6-2   Простеночный блок.