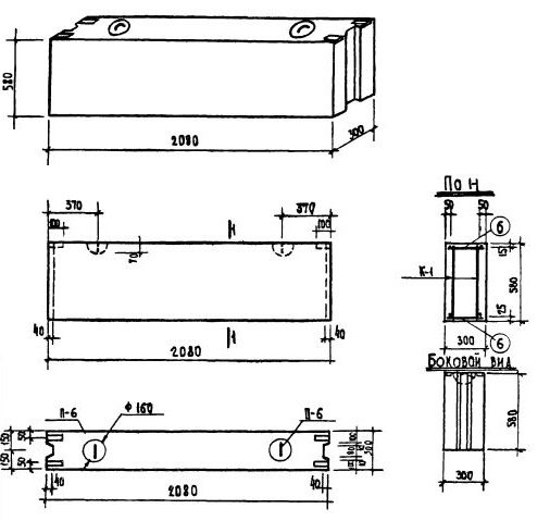
ВБ-21.6.3

Чертеж изделия:
Чертеж ВБ-21.6.3
Характеристики изделия:
ПараметрЗначение
Длина2080 мм
Ширина300 мм
Высота580 мм
Масса645 кг
Нормативный документСерия 1.134-1

ВБ-21.6.3   Блоки внутренних стен горизонтальные по Серии 1.134-1.